典型应用:
主要应用于重型数控机床旋转工作台,机器人第七轴(重型负载旋转关节),储能电站旋转式电池检测平台,电动汽车底盘旋转测试工装,小型风力发电机、电镀行业设备、加热滚动等需要大功率,大电流的应用设备,重型 AGV 旋转转向机构,冶金行业旋转式冶炼炉供电装置,风电设备轮毂旋转电流传输模块,船舶甲板旋转式起重设备,智能仓储重型旋转货架供电系统,矿山机械旋转式掘进块,机动力模另外还有其他工业控制领域也大量用到,如减震器大电流滑环,污水处理设备滑环,高强度石油测井仪器导电滑环,机器人焊接设备滑环等。
详情下载:


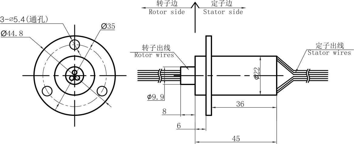
| LSLC1210 |

| LSLC1310 |

| LSLC1410 |

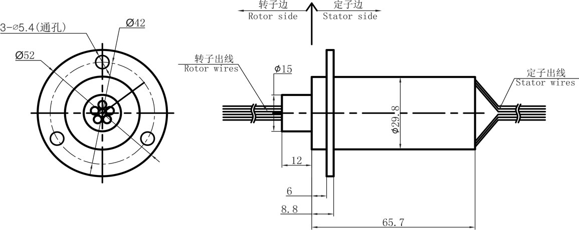
LSLC1215,LSLC1315, LSLC1220,LSLC1230,LSLC1320,LSLC1330 |

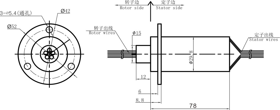
LSLC1415,LSLC1615,LSLC1610,LSLC1420, LSLC1430,LSLC1620,LSLC1630,LSLC1240,LSLC1340 |

| LSLC1810,LSLC1101,LSLC1121 |

非标定制可选项:
注:以下特别要求均可定制,交期会增加3~15天不等,费用增加5%~50%不等,本公司大部分基础配件都有标准化,模块化,非标定制也可大大减少成本和交期。
①可定制转子和定子的出线方式及出线长度。
②由于结构的限制,可按照指定长度或者高度或者外径定制。
③**可支持200路功率电流或者信号。
④可选航空插头,端子和热缩管。
⑤安川,松下,西门子等伺服系统信号,功率线以及编码器线混合滑环。
⑥可混合高速率数据传输(包括以太网,USB,RS232,RS485,Profibus, CanBUS,CANOPEN, DeviceNET, CC-LINK, ProfiNET,EtherCAT等各类工业总线)。
⑦温控信号,热电偶信号混合。
⑧防震,高温等特殊环境定制。
⑨可与气压、液压旋转接头混合一体气电液滑环。
⑩高温定制可达500度。
⑪高压可定制到110kV。
⑫高速10000RPM。
⑬ 电流**可到5000安培(A)。
⑭军工级别。
⑮ 防水,水下模式可选,IP65、IP68可选。
⑯不锈钢壳体要求。
技术支持电话:17666134983