IP65,IP68 防水/水下导电滑环 LSWP056~LSWP086系列

专为水下作业、防水作业设备打造的工业级水下滑环系列,适配各类水下严苛场景!自带定子法兰方便稳定安装,防护等级可选 IP65(防溅防水)、IP68(深度防水),满足不同水下作业深度需求;核心触点采用金 - 金接触设计,导电稳定且抗腐蚀,确保水下长期运行不卡顿;出线端配置防水格兰,从源头杜绝渗水风险,保障设备安全。更支持电缆规格、接口类型、传输通道等定制服务,精准匹配水下机器人、水下检测设备、海洋勘探仪器、水下安防设备等作业需求,为水下电力、信号稳定传输保驾护航,工业级品质让水下作业更可靠!
产品型号 LSWP056~LSWP086系列
外径(mm) 56~86
线路数(环数) 1~36路 (10A/路)
防护等级 IP65、IP68 可选
17666134983
产品详情

典型应用:

主要应用喷泉、海底机器人滑环、水下潜艇、水下音乐喷泉、水下机器人等。


详情下载:


产品型号内孔(mm)外径(mm)
10A线路数(环数)IP防护等级资料下载
LSWP0560

56

1~24IP65、IP68PDF图标.png
LSWP0860

86

1~36IP65、IP68PDF图标.png



选型.jpg




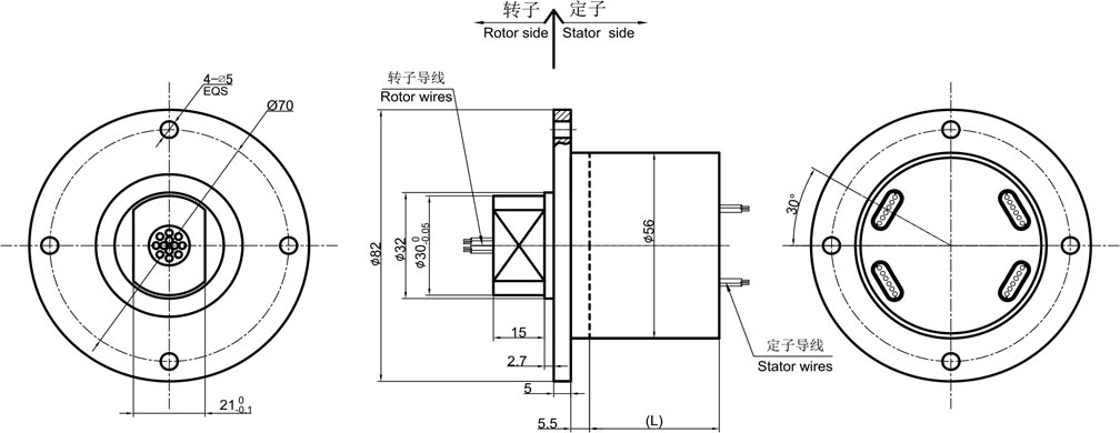
LSWP056




056.jpg



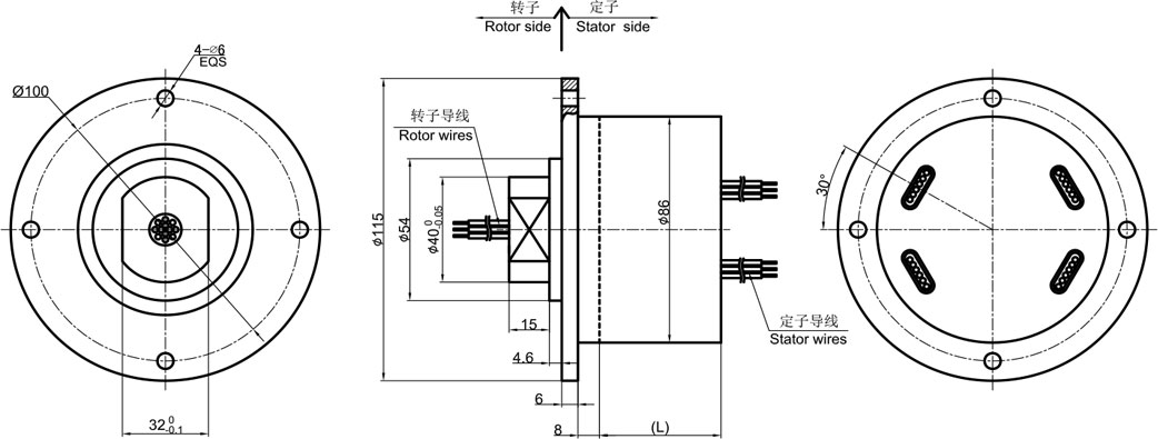
LSWP086




086.jpg




参数.jpg



非标定制可选项:

注:以下特别要求均可定制,交期会增加3~15天不等,费用增加5%~50%不等,本公司大部分基础配件都有标准化,模块化,非标定制也可大大减少成本和交期。

①可定制转子和定子的出线方式及出线长度。

②由于结构的限制,可按照指定长度或者高度或者外径定制。

③可支持200路功率电流或者信号。

④可选航空插头,端子和热缩管。

⑤安川,松下,西门子等伺服系统信号,功率线以及编码器线混合滑环。

⑥可混合高速率数据传输(包括以太网,USB,RS232,RS485,Profibus, CanBUS,CANOPEN, DeviceNET, CC-LINK, ProfiNET,EtherCAT等各类工业总线)。

⑦温控信号,热电偶信号混合。

⑧防震,高温等特殊环境定制。

⑨可与气压、液压旋转接头混合一体气电液滑环。

⑩高温定制可达500度。

高压可定制到110kV。

高速10000RPM。

电流可到5000安培(A)。

⑭军工级别。

⑮ 防水,水下模式可选,IP65、IP68可选。

⑯不锈钢壳体要求。

技术支持电话:17666134983