单通道高频旋转接头 LSHF100~109系列

LSHF 系列高频 / 同轴 / 波导旋转接头(滑环),是专为高速串行数字信号与模拟信号稳定传输研发的核心产品,单通道最高传输速率可达 40GHz,广泛适配雷达天线、动中通、动中收天线等场景。该系列不仅支持单路或多通道高频信号独立传输,还可灵活实现高频信号与 24V 控制信号、通讯信号、动力电源及流体介质的混合传输;其中,高频信号采用 50Ω 特性阻抗射频同轴结构头,视频信号则采用 75Ω 特性阻抗,同时支持其他指定接插头转接,导线可选 RG178、RG179、RG316、RG174 等多种规格,充分满足不同应用需求。
特点:
1.可支持1,2,3,4高频通道
2.可混合1-96路 功率/信号线
3.完美的驻波比VSWR
4.适合大容量数据无延迟传输
5.高速率传输超高清视频数据
6.大量应用于微型、雷达、移动天线、动中通等设备
产品型号 LSHF100~109系列
外径(mm) 18~86
线路数(环数) 0~96
混合电路数 0~96
17666134983
产品详情

典型应用:

高频 / 同轴 / 波导旋转接头最初主要应用于军工领域,随着军民融合政策的深入推进,这类产品在民用领域的应用也日益广泛,高频滑环等系列产品已成为众多民用场景的关键组件。它们专为 360 度连续旋转场景设计,能确保电源与高频波导信号在旋转过程中持续稳定传输,广泛适配于各类对信号连续性要求严苛的场景,包括:军用雷达、船载及车载卫星卫星通信装置、卫星车、应急救灾指挥车、高端机器人、车辆转动炮塔、远程控制系统、雷达天线、医疗系统、视频监视系统、保障国家及国际安全的海底作业系统、紧急照明设备、展览 / 显示设备等。


详情下载:


产品型号高频通道数可混合电路数
最高频率(GHz)外径(mm)资料下载
LSHF10010
DC-3GHz18PDF图标.png
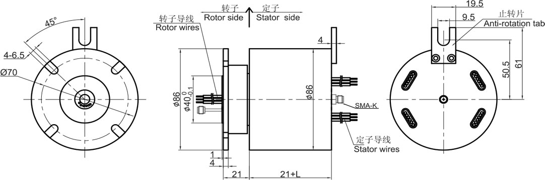
LSHF10710~24
DC-3GHz33
PDF图标.png
LSHF10811~48DC-30GHz56PDF图标.png
LSHF10911~96DC-30GHz65PDF图标.png



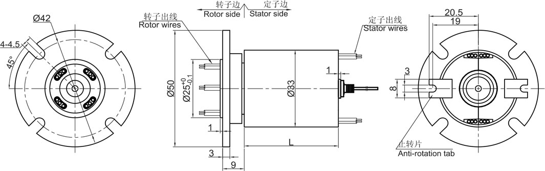
100选型.jpg




LSHF100



100-03G.jpg




LSHF107


107.jpg





LSHF108



108.jpg




LSHF109



109.jpg




非标定制可选项:

注:以下特别要求均可定制,交期会增加3~15天不等,费用增加5%~50%不等,本公司大部分基础配件都有标准化,模块化,非标定制也可大大减少成本和交期。

①可定制转子和定子的出线方式及出线长度。

②由于结构的限制,可按照指定长度或者高度或者外径定制。

③**可支持200路功率电流或者信号。

④可选航空插头,端子和热缩管。

⑤安川,松下,西门子等伺服系统信号,功率线以及编码器线混合滑环。

⑥可混合高速率数据传输(包括以太网,USB,RS232,RS485,Profibus, CanBUS,CANOPEN, DeviceNET, CC-LINK, ProfiNET,EtherCAT等各类工业总线)。

⑦温控信号,热电偶信号混合。

⑧防震,高温等特殊环境定制。

⑨可与气压、液压旋转接头混合一体气电液滑环。

⑩高温定制可达500度。

高压可定制到110kV。

高速10000RPM。

电流**可到5000安培(A)。

⑭军工级别。

⑮ 防水,水下模式可选,IP65、IP68可选。

⑯不锈钢壳体要求。

技术支持电话:17666134983