• 1/4
上一个

高频旋转关节/同轴/波导 旋转接头 LSHF300~400系列

产品型号 LSHF300~400系列
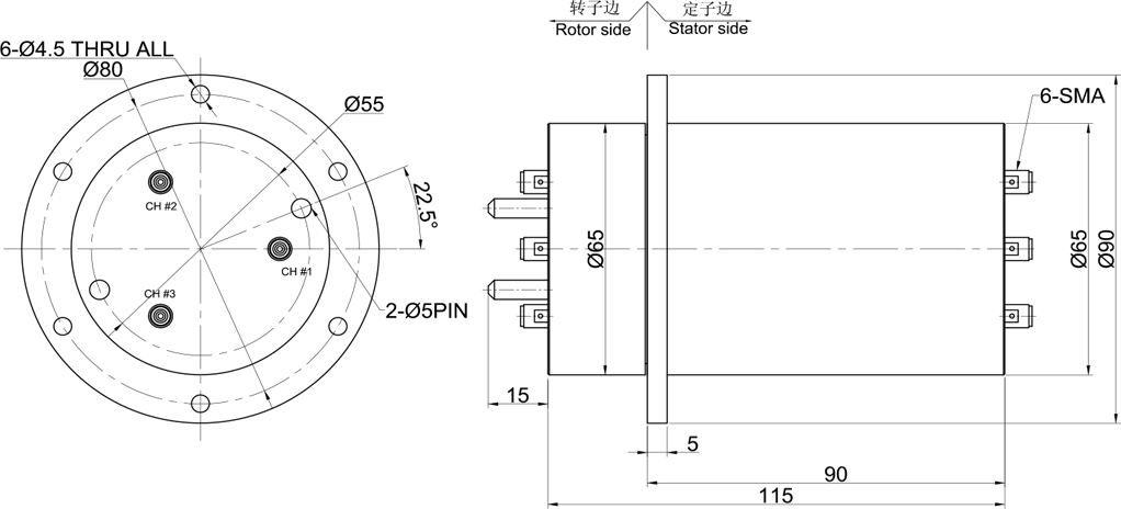
外径(mm) 65
混合电路数 0
17666134983
产品详情

典型应用:

高频滑环作为旋转部件与固定系统的信号传输核心,在军工雷达与民用设备中作用关键。军工领域,它适配雷达天线 360° 连续旋转,能稳定传输高频雷达波信号,保障探测精度与抗干扰能力,满足严苛军工环境要求;民用场景中,广泛应用于高清监控高速球机、医疗 CT 扫描设备等,可无损耗传输 4K 高清视频、高频控制信号,解决设备旋转时信号中断难题,为民用设备的高效运转与精准作业提供可靠支撑,实现军工技术与民用需求的高效适配。


详情下载:

产品型号高频通道数可混合电路数
最高频率(GHz)外径(mm)资料下载
LSHF30030
2.5GHz 65PDF图标.png
LSHF40040
2.5GHz 65
PDF图标.png


选型.jpg




LSHF300



300.jpg




LSHF400



400.jpg



参数.jpg



非标定制可选项:

注:以下特别要求均可定制,交期会增加3~15天不等,费用增加5%~50%不等,本公司大部分基础配件都有标准化,模块化,非标定制也可大大减少成本和交期。

①可定制转子和定子的出线方式及出线长度。

②由于结构的限制,可按照指定长度或者高度或者外径定制。

③**可支持200路功率电流或者信号。

④可选航空插头,端子和热缩管。

⑤安川,松下,西门子等伺服系统信号,功率线以及编码器线混合滑环。

⑥可混合高速率数据传输(包括以太网,USB,RS232,RS485,Profibus, CanBUS,CANOPEN, DeviceNET, CC-LINK, ProfiNET,EtherCAT等各类工业总线)。

⑦温控信号,热电偶信号混合。

⑧防震,高温等特殊环境定制。

⑨可与气压、液压旋转接头混合一体气电液滑环。

⑩高温定制可达500度。

高压可定制到110kV。

高速10000RPM。

电流**可到5000安培(A)。

⑭军工级别。

⑮ 防水,水下模式可选,IP65、IP68可选。

⑯不锈钢壳体要求。

技术支持电话:17666134983